服務熱線
021-57488098
渠工品牌Y42系列減壓閥屬于直接作用式薄膜彈簧減壓閥。主要由調節彈簧、膜片、活塞、閥座、閥瓣等零件組成。利用膜片直接傳感下游壓力驅動閥瓣,控制閥瓣開度完成減壓穩壓功能。
水用減壓閥在城市建筑、高層建筑的冷熱供水系統中,可取代常規分區水管,節省設備。也可在通常的冷熱水管網中,起減壓穩壓作用。
本產品調壓、穩壓動作平穩,適用于水和非腐蝕性液體介質的管路。
| 型號 | Y42X | ||
|---|---|---|---|
| 公稱壓力(Mpa) | 1.0 | 1.6 | 2.5 |
| 殼體試驗壓力(Mpa)* | 1.5 | 2.4 | 3.75 |
| 密封試驗壓力(Mpa) | 1.0 | 1.6 | 2.5 |
| 最高進口壓力(Mpa) | 1.0 | 1.6 | 2.5 |
| 出口壓力范圍(Mpa) | 0.2-0.8 | 0.2-1.0 | 0.4-1.6 |
| 壓力特性偏差(Mpa)△P2P | GB12244-1989 | ||
| 流量特性偏差(Mpa)P2G | GB12244-1989 | ||
| 滲漏量 | 0 | ||
| 工作溫度 | 0℃-80℃ | ||
| DN | 15 | 20 | 25 | 32 | 40 | 50 | 65 | 80 | 100 | 125 | 150 | 200 | 250 | 300 | 350 | 400 | 500 |
|---|---|---|---|---|---|---|---|---|---|---|---|---|---|---|---|---|---|
| Cv | 1 | 2.5 | 4 | 6.5 | 9 | 16 | 25 | 36 | 64 | 100 | 140 | 250 | 400 | 570 | 780 | 1020 | 1500 |
| 零件名稱 | 零件材料 |
|---|---|
| 閥體 閥蓋 底蓋 | WCB |
| 閥座 | 2Cr13 |
| 閥瓣 | 2Cr13 |
| 閥桿 | 2Cr13 |
| 缸套 | 2Cr13/25(鍍硬鉻) |
| 活塞 | 2Cr13 |
| O型圈 | 丁腈橡膠 |
| 密封圈 | 丁腈橡膠 |
| 膜片 | 夾織物丁腈橡膠 |
| 調節彈簧 | 60Si2Mn |
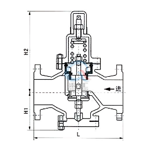
![]() |
|---|
| Y42X水用減壓閥,空氣減壓閥 外形圖 |
(PN1.0-2.5)單位:mm
| 公稱通徑DN | 外 形 尺 寸 | ||
|---|---|---|---|
| L | H | Hl | |
| 15 | 160 | 225 | 90 |
| 20 | 160 | 265 | 98 |
| 25 | 180 | 265 | 110 |
| 32 | 200 | 265 | 110 |
| 40 | 220 | 320 | 125 |
| 50 | 250 | 320 | 125 |
| 65 | 280 | 325 | 130 |
| 80 | 310 | 385 | 160 |
| 100 | 350 | 385 | 170 |
| 125 | 400 | 430 | 200 |
| 150 | 450 | 430 | 210 |
| 200 | 500 | 560 | 240 |
| 250 | 650 | 690 | 290 |
| 300 | 800 | 800 | 335 |
| 350 | 850 | 880 | 375 |
| 400 | 900 | 980 | 405 |
| 450 | 900 | 1100 | 455 |
| 500 | 950 | 1130 | 465 |
